Author: admin Time:2021-12-15 Click:
Understanding the benefits of using an MSP430™ MCU with an integrated smart analog combination in pulse oximeter design
A pulse oximeter is a non-invasive device that is simply clipped onto a finger. It monitors a person's heart rate and blood oxygen saturation (SpO2) by measuring the changes in the absorption of infrared and red light by oxygenated or deoxygenated blood. Under normal circumstances, the blood oxygen saturation of a healthy person ranges from 95% to 100%. Using a pulse oximeter like the one shown in Figure 1 to measure blood oxygen saturation can help patients:
- Understand the efficacy of their medication.
- Determine if they can increase their activity level.
- Determine if a ventilator is necessary or if it is functioning properly.
- Monitor the occurrence of sleep apnea symptoms.
People with conditions that affect blood oxygen levels, such as heart failure or asthma, can also use a pulse oximeter.

Figure 1: Fingertip Pulse Oximeter
Typically, a photodiode measures the infrared and red light that passes through the finger. The signal emitted by the photodiode sensor contains a large DC component and a small AC component (the AC is about 0.4% to 10% of the DC), as shown in Figure 2. The large DC component is due to the absorption by body tissues with lower oxygen content and the scattering of light. The small AC component is composed of light modulation by oxygenated areas such as arteries and environmental light noise at 50/60Hz. Both the AC and DC components are necessary for the calculation of SpO2. To meet precision requirements, a signal conditioning circuit must be designed to amplify the AC component, increase resolution, and offset the DC component and environmental light. However, the signal level varies with the patient's health condition as well as the position and thickness of the finger. To avoid signal saturation, the gain of the amplifier needs to be dynamically adjusted according to the range of the signal.

Figure 2: Photoplethysmogram Signal with a Large DC Component and a Small AC Component
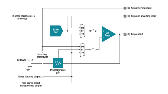
Texas Instruments offers a single-chip pulse oximeter solution based on the MSP430FR2355 microcontroller (MCU) and its integrated Smart Analog Combination (SAC). As a featured peripheral of the MSP430FR2355, the SAC can be software-configured, allowing you to adjust the analog signal in the input or output path. The SAC modes are shown in Figure 3.

Figure 3: System Block Diagram Using SAC Modes
The MSP430FR2355 serves as the host MCU in the system, offering a true single-chip solution that effectively eliminates the need for external amplifiers and digital-to-analog converters (DACs), reducing the complexity and cost of the system. Additionally, each SAC module can be configured as an operational amplifier, a programmable gain amplifier, or a 12-bit DAC. The system block diagram of a pulse oximeter using the MSP430FR2355 MCU is shown in Figure 4.

Figure 4: Example System Block Diagram of a Pulse Oximeter
The pulse oximeter solution example in Figure 4 showcases four SAC modules:
- Two SAC modules are 12-bit resolution DACs used to drive the current-adjustable and stable infrared and red LEDs.
- One SAC module is a transimpedance amplifier that measures the photodiode current using an input bias current of 50pA.
- One SAC module is a PGA that, in conjunction with a DAC used as a DC compensation and AC amplifier, can achieve a gain of 32 times.
In addition to the integrated smart analog combination, the low standby current of down to 42nA, small package, memory configuration, and communication interfaces are very suitable for low-cost pulse oximeter designs.
Figure 5 lists the detailed on-chip analog and digital features of the MSP430FR2355 MCU.

Figure 5: On-Chip Features of the MSP430FR2355
Conclusion
The MSP430FR2355 is an ultra-low-power, low-cost 16-bit reduced instruction set computer (RISC) microcontroller (MCU) with numerous analog signal chain peripherals. The four smart analog combinations effectively eliminate the need for external amplifiers and digital-to-analog converters (DACs), thereby reducing the complexity and cost of the system. The low-power VQFN32 (4mm x 4mm 32-pin) package is highly suitable for portable devices like pulse oximeters. The MSP430 MCU, along with its online software tools and resources, provides a robust platform for developing sophisticated pulse oximeter designs with high accuracy and efficiency.